NCoder 730

Description
NMotion NCoder730 is a Breakout Board for MPS MagAlpha MA730 Magnetic Encoder. This can be connected to an external Microcontroller through Connector JP1 and JP2. MA730 is a high-resolution rotary position sensor for high-speed (up to 60krpm) angle measurement over a full 360-degree range. The MA730 supports a wide range of magnetic field strengths and spatial configurations.
This can be used for both end-of-shaft and off-axis (side-shaft mounting) configurations. On-chip non-volatile memory provides storage for configuration parameters, including the reference zero angle position, ABZ encoder settings, and magnetic field detection thresholds. An SPI serial interface allows a host microcontroller to read 14-bit absolute angle position data and to program non-volatile settings without a dedicated programmer. Incremental 12 Bits ABZ Quadrature Encoder Interface with a programmable pulse per turn from 1 to 1024. The encoder also provides angle as a 14 bit PWM Output.
The breakout board can be used for general purpose angle measurements, high-resolution angle encoders, automotive angle and robotics.
Pin Configurations and Functions

Connector JP1
| Pin | Symbol | Type | Description |
|---|---|---|---|
| 1 | Z | Digital Output | Index Pulse |
| 2 | B | Digital Output | Incremental Signal B (quadrature) |
| 3 | A | Digital Output | Incremental Signal A (quadrature) |
| 4 | GND | Power Supply | Ground |
| 5 | 3.3V | Power Supply | 3.3V Power Supply Input |
| 6 | PWM | Digital Output | PWM Signal Output |
Connector JP2
| Pin | Symbol | Type | Description |
|---|---|---|---|
| 1 | CS | Digital Input | SPI Chip Select (Active Low) |
| 2 | CLK | Digital Input | SPI Clock |
| 3 | MISO | Digital Output | SPI MISO |
| 4 | MOSI | Digital Input | SPI MOSI |
| 5 | GND | Power Supply | Ground |
| 6 | 3.3V | Power Supply | 3.3V Power Supply Input |
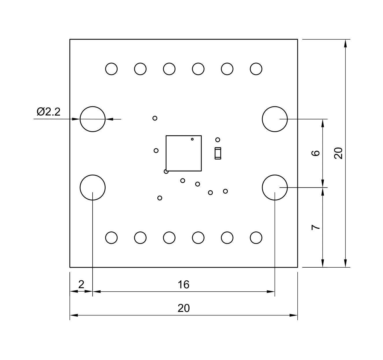
Drawing
All dimensions are in mm
Mounting Guidelines
A 6 x 2.5 mm (or compatible) diametric magnet can be placed over or under the MA730 sensor and should be centered on the middle of the package with a tolerance of 0.5mm as shown in the figure below. The distance between the magnet and the package should be between 0.5-3 mm. The magnet holder must not be ferromagnetic. M2 mounting holes can be utilized for mounting the board. The sensor can also be used in side mounting configuration. For more details refer MPS MA730 IC datasheet.

;
Operation
This board can be used as a Quadrature encoder with Index by connecting JP1 pins to external microcontrollers. By default the NCoder730 is configured as a 4096 CPR/1024 PPR quadrature encoder. The CPR of the encoder can be configured as per the requirement using the SPI Pins in JP2 Connector. The SPI Interface also provides a 14-bit absolute angle. Please checkout MA730 data sheet for a more detailed description. The board can also provide PWM Output in JP1 connector.
Custom Design Service
You can contact us for a custom board based on your application requirements.

