NCoder 5047

Description
NCoder5047 is a Breakout Board for AS5047P Magnetic Encoder. This can be connected to an external Microcontroller through Connector JP1 and JP2. AS5047P is a high-resolution rotary position sensor for high-speed (up to 28krpm) angle measurement over a full 360-degree range. This new position sensor is equipped with revolutionary integrated Dynamic Angle Error Compensation with near zero latency and offers a robust design that suppresses the influence of any homogenous external stray magnetic field. An SPI serial interface allows a host microcontroller to read 14-bit absolute angle position data and to program non-volatile settings without a dedicated programmer. Incremental movements are indicated on a set of ABI signals with a maximum resolution of 4000 steps / 1000 pulses per revolution in decimal mode and 4096 steps / 1024 pulses per revolution in binary mode. The resolution of the ABI signal is programmable and can be reduced to 100 steps per revolution or 25 pulses per revolution.
Pin Configurations and Functions

Connector JP1
| Pin | Symbol | Type | Description |
|---|---|---|---|
| 1 | 3.3V | Power Supply | 3.3V Power Supply Input |
| 2 | A | Digital Output | Incremental Signal A (quadrature) |
| 3 | B | Digital Output | Incremental Signal B (quadrature) |
| 4 | Z | Digital Output | Index Pulse |
| 5 | GND | Power Supply | Ground |
Connector JP2
| Pin | Symbol | Type | Description |
|---|---|---|---|
| 1 | W | Digital Output | Commutation Signal W |
| 2 | V | Digital Output | Commutation Signal V |
| 3 | U | Digital Output | Commutation Signal U |
| 4 | MOSI | Digital Input | SPI MOSI |
| 5 | MISO | Digital Output | SPI MISO |
| 6 | CLK | Digital Input | SPI Clock |
| 7 | CS | Digital Input | SPI Chip Select (Active Low) |
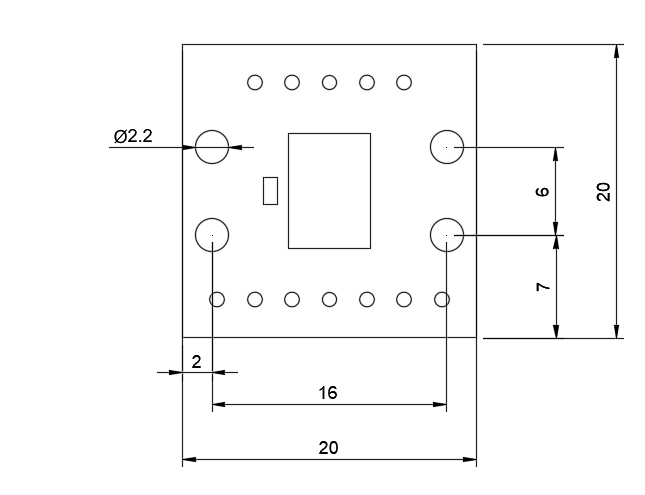
Drawing
All dimensions are in mm
Mounting Guidelines
A 6 x 2.5 mm (or compatible) diametric magnet can be placed over or under the AS5047P sensor and should be centered on the middle of the package with a tolerance of 0.5mm as shown in the figure below. The distance between the magnet and the package should be between 0.5-3 mm. The magnet holder must not be ferromagnetic. M2 mounting holes can be utilized for mounting the board.

;
Operation
This board can be used as a Quadrature encoder with Index by connecting JP1 pins to external microcontrollers. By default the NCoder5047 is configured as a 4000 CPR/1000 PPR quadrature encoder. The CPR of the encoder can be configured as per the requirement using the SPI Pins in JP2 Connector. The SPI Interface also provides a 14-bit absolute angle. Please see the AS5047P datasheet for a more detailed description.
Custom Design Service
You can contact us for a custom board based on your application requirements.
